Projektiranje & izdelava elektro-omaric

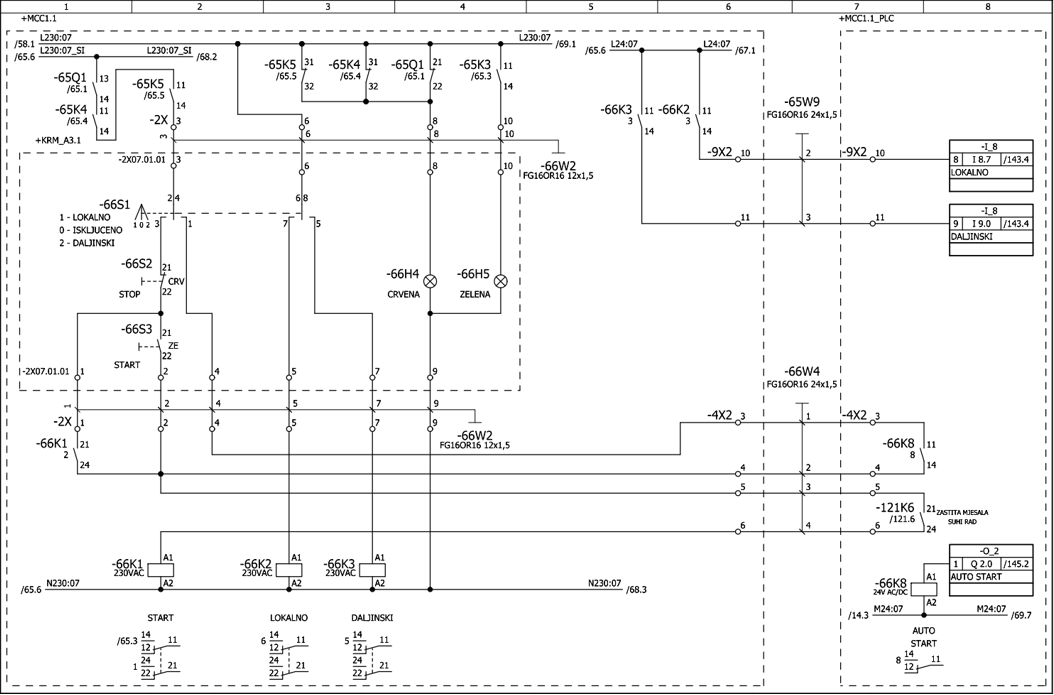
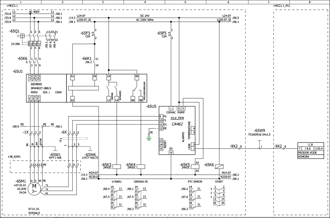
V našem podjetju zagotavljamo celovite rešitve na področju projektiranja, izdelave in montaže elektro-omaric za industrijske, infrastrukturne in tehnološke procese. Naš cilj je zagotoviti zanesljive, varne in pregledne rešitve, prilagojene specifičnim zahtevam posameznega naročnika in aplikacije. Naše storitve vključujejo: - izdelavo elektro načrtov in tehnične dokumentacije v programu EPLAN, - projektiranje krmilnih, močnostnih in distribucijskih omaric, - izdelavo omaric po naročilu ali standardnih rešitvah, - montažo, ožičenje in označevanje v skladu z veljavnimi standardi, - funkcionalno testiranje pred dobavo, - zagon in podporo na lokaciji. Pri projektiranju uporabljamo programsko opremo EPLAN, ki omogoča pregledno dokumentacijo, standardizirano izvedbo in lažje kasnejše vzdrževanje ter nadgradnje sistemov. Pri izdelavi uporabljamo kakovostne komponente priznanih proizvajalcev ter sledimo veljavnim standardom in dobrim praksam industrijske avtomatizacije. Poseben poudarek namenjamo preglednosti izvedbe, zanesljivosti delovanja in enostavnemu vzdrževanju, kar naročnikom dolgoročno zmanjšuje stroške obratovanja. Z izkušeno ekipo in prilagodljivim pristopom zagotavljamo rešitve za različne industrijske panoge – od proizvodnje, energetike in infrastrukture do specialnih tehnoloških procesov.